titre

38, 39 Boulevard Gambetta

Fiche de site.



Identification :
87085 . 08
blanc
Date et circonstances de la découverte :
1969-1971. Structures révélées par des travaux.
blanc
Nature de gisement :
Habitation.
blanc
Eléments associés :
- Monnaies : Hadrien, Elagabal et six imitations de Tetricus.
blanc
Datation :
IIIe siècle. (Un niveau du Ier siècle existe également)
blanc
Lieu de conservation :
Musée municipal de l'Evêché à Limoges.
blanc
Bibliographie :
LOUSTAUD (Jean-Pierre), B.S.A.H.L., t. CIII, 1976, p. 15-40.
blanc

Catalogue des céramiques

blanc

87085. 08 - 01

Assiette aux parois verticales très convexes ; lèvre ronde ; base portante, assise plane ; céramique tournée, pâte de couleur jaunâtre, rouge brique en surface ; inclusions fines : quartz régulier en proportion moyenne, mica ; surface avec couverte rouge.
blanc
H. tot. : 38 mm. D. max. : 170 mm. D. base : 150 mm. D. ouv. : 156 mm.

- Forme rencontrée à Cabasse (Var) au IIIe s. (BERARD, 1961, pl. 1, n° 1).

- Elle existe aussi dans le Nord au IIe siècle (TUFFREAU-LIBRE, 1980, fig. 6, n° 1, Type 1a).

- On la trouve également à Niederbieder (All.) fin IIe et première moitié IIIe (GOSE, 1950, forme 248).

- Cette forme a été reprise en sigillée claire africaine dans la seconde moitié du IIe et la première moitié du IIIe s. (HAYES, 1972, fig. 35, forme 181).
blanc

87085. 08 - 02

Assiette aux parois divergentes convexes ; lèvre ronde ; base annulaire, assise tournée ; céramique tournée, pâte de couleur jaunâtre, rouge brique en surface ; inclusions fines : quartz régulier en proportion moyenne, mica ; surface avec couverte rouge. Zone guillochée sur le fond interne.

H. tot. : 45 mm. D. max. : 220 mm. D. base : 160 mm. D. ouv. : 210 mm.
blanc

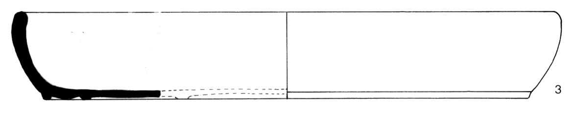
87085. 08 - 03

Plat aux parois divergentes convexes ; lèvre ronde ; base annulaire, assise tournée ; céramique tournée, pâte de couleur orangée, rouge brique en surface ; inclusions fines : quartz régulier en proportion moyenne, mica ; surface avec couverte rouge. Zones guillochées sur le fond interne.

H. tot. : 60 mm. D. max. : 380 mm. D. base : 338 mm. D. ouv. : 360 mm.